Коммутационные аппараты



выключатели автоматические, предназначенные для проведения


ОДНОПОЛЮСНЫЕ  АВТОМАТИЧЕСКИЕ   ВЫКЛЮЧАТЕЛИ
BA 2227
выключатели автоматические, предназначенные для проведения
BA 2227 - выключатели автоматические, предназначенные для проведения тока в нормальном режиме и отключения тока при коротком замыкании и перегрузках в электрических цепях с номинальным напряжением переменного тока до 380 В.
Основные технические характеристики автоматов ВА 2227

Номинальное напряжение, B 380, 50 (60) Гц
Номинальный ток, A 40
Номинальный ток тепловых расцепителей, A 6,3 ? 40
Предельная коммутационная способность, кА 3,5 при U = 220 В, cos j = 0,8
Количество циклов ВO 20000
Степень защиты оболочки выключателей IР30
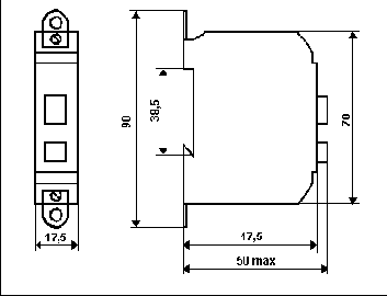
Габариты, мм:
      установка на рейке
      установка на панели
 
70 х 47,5 х 17,5
90 х 47,5 х 17,5
Mассa, кг 0,065
Габаритные размеры автоматов ВА 2227

выключатели автоматические, предназначенные для проведения



Содержание раздела